设为首页
|
加入收藏
欢迎光临亿高阀门
网站,服务热线:
17750102939
网站首页
关于我们
公司简介
核心优势
资质荣誉
企业文化
联系我们
产品中心
工业阀门系列
消防阀门系列
给排水系列
不锈钢系列
暖通系列
不锈钢管件系列
应用领域
新闻资讯
公司新闻
行业新闻
本地资讯
招贤纳士
人才战略
招聘岗位
在线招聘
亿高阀门制造有限公司
EGV VALVE MANUFACTURING CO.,LTD
当前位置:
网站首页
∷
工业阀门系列
∷
铸钢阀门
∷
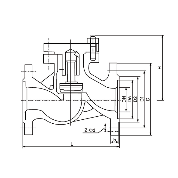
H41H/W/Y升降式止回阀
产品中心
PRODUCTS
消防系统
市政与环保
工业工厂
楼宇与建筑
消防系统
给水系统
排水系统
暖通系统
二次供水
工业阀门系列
气动阀门
电动阀门
铸钢阀门
消防阀门系列
消防闸阀
消防蝶阀
其他
给排水系列
蝶阀
闸阀
止回阀
水利阀
其他
不锈钢系列
暖通系列
不锈钢管件系列
70
H41H/W/Y升降式止回阀
发布时间: 2023-12-20 02:09
H41H/W/Y升降式止回阀
商品信息
上一个:
DRV静态平衡阀
下一个:
H44H/W/Y旋启式止回阀