设为首页
|
加入收藏
欢迎光临亿高阀门
网站,服务热线:
17750102939
网站首页
关于我们
公司简介
核心优势
资质荣誉
企业文化
联系我们
产品中心
工业阀门系列
消防阀门系列
给排水系列
不锈钢系列
暖通系列
不锈钢管件系列
应用领域
新闻资讯
公司新闻
行业新闻
本地资讯
招贤纳士
人才战略
招聘岗位
在线招聘
亿高阀门制造有限公司
EGV VALVE MANUFACTURING CO.,LTD
当前位置:
网站首页
∷
给排水系列
∷
蝶阀
∷
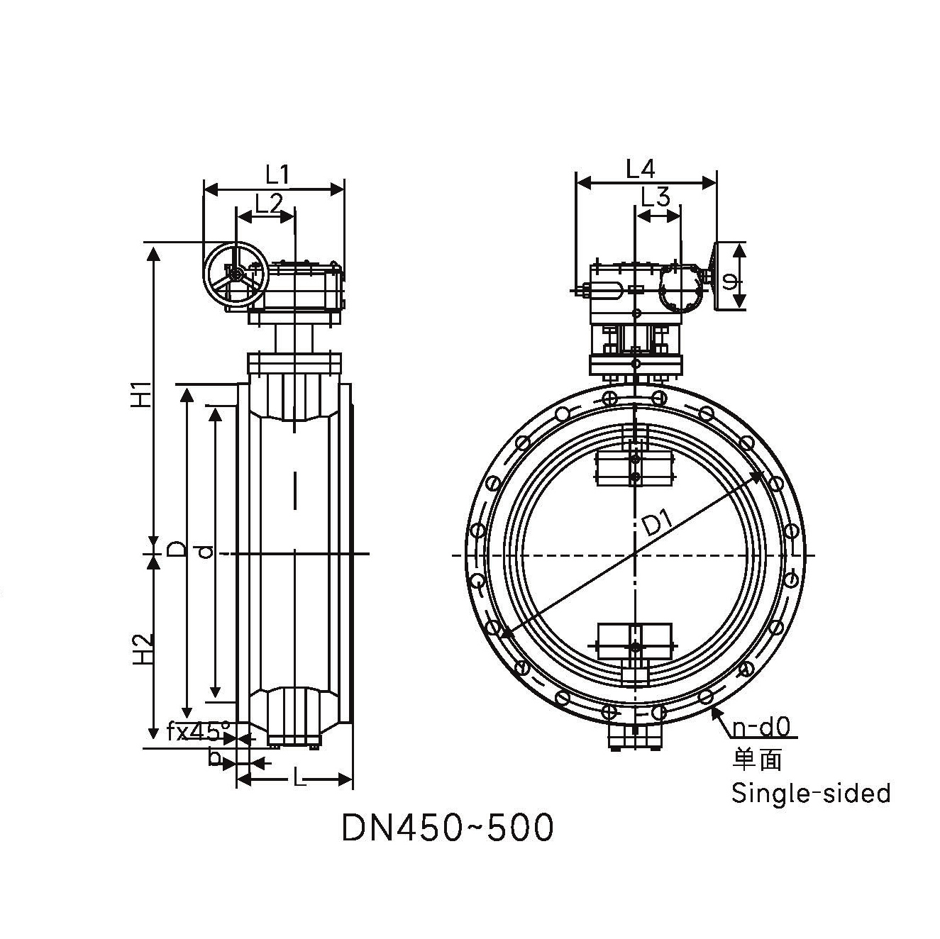
D343X软密封三偏心法兰蝶阀
产品中心
PRODUCTS
消防系统
市政与环保
工业工厂
楼宇与建筑
消防系统
给水系统
排水系统
暖通系统
二次供水
工业阀门系列
气动阀门
电动阀门
铸钢阀门
消防阀门系列
消防闸阀
消防蝶阀
其他
给排水系列
蝶阀
闸阀
止回阀
水利阀
其他
不锈钢系列
暖通系列
不锈钢管件系列
6
D343X软密封三偏心法兰蝶阀
发布时间: 2024-01-17 15:17
D343X软密封三偏心法兰蝶阀
商品信息
上一个:
D36971X软密封对夹蝶阀
下一个:
ZLH41H/Y轴流式止回阀